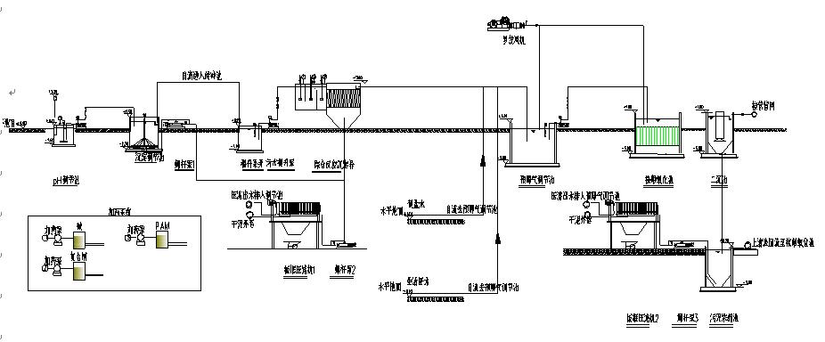
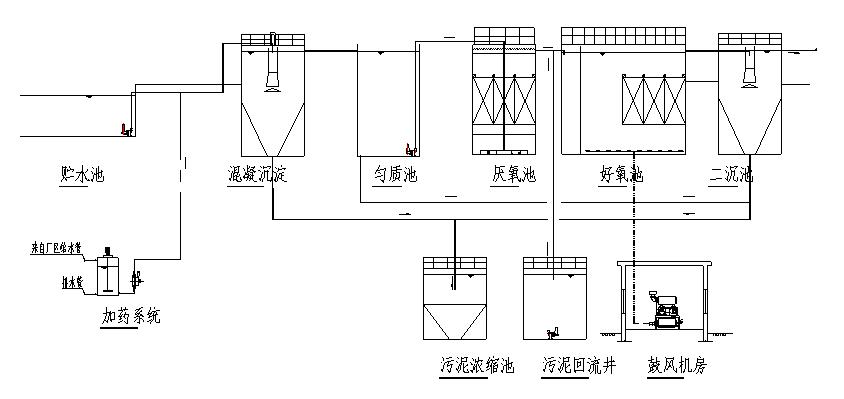
各種廢水處理技術工藝流程
現如今,環境保護已越來越得到人們的重視了,各類環保行為也進行的如火如薈。今天龍鐵鼓風機(上海)有限公司(www.fdocg.cn)的小編與您分享下各類廢水處理技術工藝流程,覺得有用的就趕緊收藏吧!
電鍍廢水處理技術工藝流程
淀粉廢水處理技術工藝流程
果汁廢水處理技術工藝流程
含鉛廢水處理技術工藝流程
合成革廢水處理技術工藝流程
化工廢水處理技術工藝流程
化纖廢水處理技術工藝流程
焦化廢水處理技術工藝流程

酒精廢水處理技術工藝流程

垃圾滲透液廢水處理技術工藝流程

磷化廢水處理技術工藝流程

農藥廢水處理技術工藝流程

啤酒廢水處理技術工藝流程
生活廢水處理技術工藝流程

印染廢水處理技術工藝流程
制藥廢水處理技術工藝流程

屠宰廢水處理技術工藝流程
以上內容就是由專做羅茨風機的龍鐵鼓風機(上海)有限公司(www.fdocg.cn)原創,轉載請注明出處。
登錄
在線收藏
網站地圖
聯系龍鐵






















